您当前的位置:专题教程《液压与气压传动》教案  
            第17章 气动控制元件与基本回路(3)

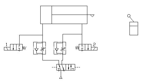
   6、高低压转换回路:
    用于低压气源或高压气源的转换输出

     
            图17-21  高低压转换回路

    ◆节流阀:通过改变阀的通流面积来调节流量。
   节流阀的工作原理:

             
       图17-22  节流阀原理图        17-23  节流阀结构图

   1、节流阀的应用:
      
           图17-24  节流阀的应用

   2、排气节流阀: 不仅具有节流调速的作用,而且还能起到降低排放气流噪声的作用。
        
   排气节流阀只能安装在排气口,调节排出气体的流量以控制执行元件的速度。

  3、柔性节流阀:
   通过调节阀杆夹紧柔韧的橡胶管而产生节流作用

      
              图17-26  柔性节流阀

   4、单作用气缸速度控制回路
      
        图17-27  单作用气缸速度控制回路

   5、单向调速回路
   节流供气
   节流排气
   结论: 排气节流调速与进气节流调速相比具有进气阻力小, n 气缸速度受外界负载变化影响小的特点,所以应用较普遍。

   6、双向调速回路

    
         图17-28  双作用气缸的速度控制回路

   7、缓冲回路
  功能: 可降低或避免气缸行程末端活塞与缸体的撞击。
  场合: 在行程长、速度快、惯性大的场合,除采用缓冲气缸外,一般还采用缓冲回路。

         
              图17-29  缓冲回路

   8、速度换接回路
     
         图17-30  速度换接回路
共 5 页: 第  【1】  【2】  3  【4】  【5】  页
版权所有        民众工作室.制作