你当前的位置:首页>>行业相关>>知识二三  
                           快速学习西门子PLC编程 (1)

    可编程控制器的分类

  按组成结构,可分为:整体式、模块式和紧凑式。

  按I/O点数,可分为:大 (>1024)、中 (256~1024) 、小型 (<256点)

  按功能,可分为:低、中、高档.

  PLC硬件系统:输入部分;运算控制部分(CPU);运算控制部分(CPU)

  可编程控制器的一个机器扫描周期是指用户程序运行一次所经过的时间。它分为执行CPU自诊断、处理通讯请求、读输入(输入采样)、执行程序、写输出(输出刷新)等五个阶段。

  S7-200 CPU有两种工作方式

  STOP(停止)。
  CPU在停止工作方式时不执行程序,此时可以向CPU装载程序或进行系统设置。

  RUN(运行)。
  CPU在RUN工作方式下运行用户程序。

  在程序编辑、上/下载等处理过程中,必须把CPU置于STOP方式

  改变工作方式的方法:

  使用PLC上的方式开关来改变工作方式。

  (1)使用STEP7-Micro/WIN32编程软件设置工作方式。

  在程序中插入一个STOP指令,CPU可由RUN方式进入STOP工作方式。

  (2)使用工作方式开关改变工作状态。

  用位于CPU模块的出/入口下面的工作方式开关选择CPU工作方式。工作方式开关有三个挡位:STOP TERM(Terminal)、RUN。

  提供参与操作的数据地址的方法,称为寻址方式

  S7-200数据的寻址方式有立即数寻址、直接寻址和间接寻址三大类;有位、字节、字和双字四种寻址格式。
  用立即数寻址的数据在指令中以常数形式出现。

  输入继电器线圈只能由外部信号驱动,不能用程序指令驱动。

  输出继电器用来将PLC的输出信号传递给负载,只能用程序指令驱动。

  数据存储区及元件功能

(1)输入/输出映像寄存器

(2)变量存储器(V)

(3)内部标志位(M)存储区

(4)顺序控制继电器(S)存储区

(5)特殊标志位(SM)存储器

(6)局部存储器(L)

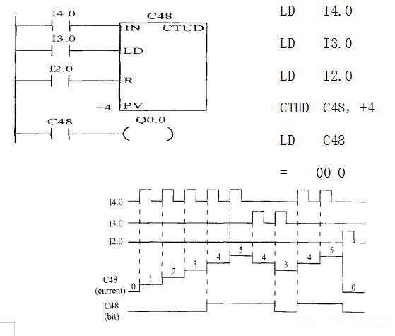
(7)定时器

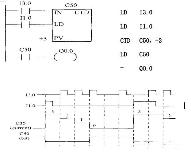
(8)计数器

(9)模拟量输入/输出映像寄存器(AI/AQ)

(10)累加器(AC)

(11)高速计数器(HC)

  定时器的主要参数有定时器预置值,当前计时值和状态位。

  计数器有一个16位的当前值寄存器和一位状态位。当前值寄存器用以累计脉冲个数,其设定值(预置值)在程序中被赋予;当计数器当前值大于或等于预置值时,状态位置1。

  S7-200 CPU提供有三种类型的计数器:

  增计数,减计数,增/减计数。

  S7-200系列PLC支持SIMATIC和IEC1131-3两种基本类型的指令集,编程时可任意选择。

  SIMATIC指令集是西门子公司PLC专用的指令集,具有专用性强、执行速度快等优点,可提供LAD,STL,FBD等多种编程语言。

  IEC1131-3指令集是按国际电工委员会(IEC)PLC编程标准提供的指令系统。该编程语言适用于不同厂家的PLC产品,有LAD和FBD两种编辑器。

  LAD图形指令有三个基本形式:触点、线圈和指令盒。
          
        

  实例编程:

 例1:

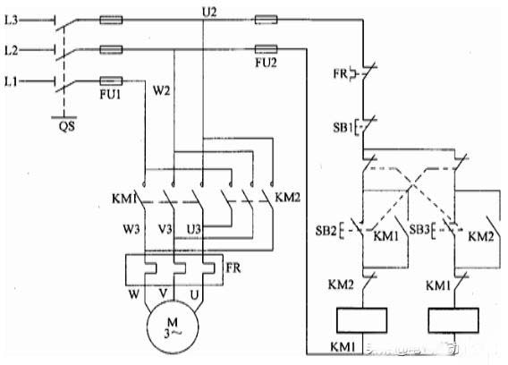
   图1.1为三相异步电动机正反转运行电路。
  起动时,合上QS,引入三相电源。按下正转控制按钮SB2,KMl线圈得电,其常开触点闭合,电动机正转并实现自锁。
     
                            图1.1

    当电动机需要反转时,按下反转控制按钮SB3,KMl线圈断电,KM2线圈得电,KM2的常开触点闭合,电动机反转并实现自锁,按钮SBl为总停止按钮。

    任务要求用PLC来实现上图所示的三相异步电动机的正反转运行电路

 (1)I/O(输入/输出)地址分配

   由上述控制要求可确定PLC需要3个输入点,2个输出点,其I/0地址分配如下:

 I0.0:停止按钮SB1

 I0.1:正转起动按钮SB2

 I0.2:反转起动按钮SB3

 Q0.0:正转运行用交流接触器KM1

 Q0.1:反转运行用交流接触器KM2

                  
                         PLC的外部硬件接线图

  1)方案一:直接用“起一保一停”基本电路实现。
         

  2)方案二:利用“置位/复位”基本电路实现。
    

  3)方案三:利用栈操作指令实现梯形图及指令表。
       

共 3 页: 第  1  【2】  【3】  页
版权所有©   民众工作室.制作