你当前的位置:首页>>行业相关>>知识二三  
                           快速学习西门子PLC编程 (2)
  例2:

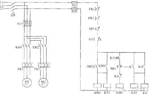
   图2.1为两台电动机顺序起动逆序停止的控制电路图。
   按下起动按钮SB2,第一台电动机M1开始运行,5s之后第二台电动机M2开始运行;按下停止按钮SB3,第二台电动机M2停止运行,10s之后第一台电动机Ml停止运行;SBl为紧急停止按钮,当出现故障时,只要按下SBl,两台电动机均立即停止运行。
          
                           图2.1
   任务要求用PLC来实现上图所示的两台电动机顺序起动逆序停止的控制电路,其控制时序图如下图所示。
                 
             
              

             
 I/O(输入/输出)地址分配

  由上述控制要求可确定PLC需要3个输入点,2个输出点,其I/0地址分配如下:

 I0.0:紧急停止按钮SB1

 I0.1:起动按钮SB2

 I0.2:停止按钮SB3

 Q0.0:电动机M1运行用交流接触器KM1

 Q0.1:电动机M2运行用交流接触器KM2

   根据I/0地址分配及控制时序图可知,当起动按钮SB2被按下时,输入继电器I0.1接通,输出继电器Q0.0置1,交流接触器KMl线圈得电并自保,这时第一台电动机M1运行,5s之后输出继电器Q0.1置1,第二台电动机M2。
          
   开始运行;当按下停止按钮SB3时,输入继电器I0.2接通,输出继电器Q0.1置0,第二台电动机M2停止运行,10s之后输出继电器Q0.0置0,第一台电机停止运行。梯形图及语句表如图所示。

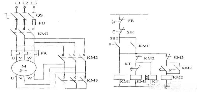
  例3:

   图3.1为三相异步电动机Y-△减压起动的原理图。KMl为电源接触器。KM2为△联结接触器,KM3为Y联结接触器,KT为起动时间继电器。其工作原理是:起动时合上电源开关QS,按起动按钮SB2,则KMl、KM3和KT同时吸合并自锁,这时电动机接成Y联结起动。
            
                                        图:3.1
                 

    任务要求用PLC来实现图Y-△减压起动的控制电路,其控制时序图如图所示。利用PLC基本指令中的串、并联及输出指令可实现上述控制要求。
          
          
             
共 3 页: 第  【1】  2  【3】  页
版权所有©   民众工作室.制作