你当前的位置>>主页>>液压与气动>>测验与试题  
                          液压与气动技术期末考试试卷A

班级_________学号__________姓名__________分数__________

一、单项选择题(每小题1分,共20分)

1.通过环形缝隙中的液流,当两圆环同心时的流量与两圆环偏心时的流量相比:

A 前者大  B 后者大   C 一样大   D 前面三项都有可能

2.解决齿轮泵困油现象的最常用方法是:

A 减少转速  B 开卸荷槽   C 加大吸油口  D 降低气体温度

3.CB-B型齿轮泵中泄漏的途径有有三条,其中_________对容积效率影响最大。

A 齿轮端面间隙  B 齿顶间隙  C 齿顶间隙  D A+B+C

4.斜盘式轴向柱塞泵改变流量是靠改变______。

A 转速   B 油缸体摆角   C 浮动环偏心距   D 斜盘倾角

5.液压马达的总效率通常等于:

A 容积效率×机械效率    B 容积效率×水力效率

C 水力效率×机械效率    D容积效率×机械效率×水力效率

6.能实现差动连接的油缸是:

A 双活塞杆液压缸    B 单活塞杆液压缸

C 柱塞式液压缸      D A+B+C

7.选择过滤器应主要根据____来选择。

A 通油能力   B 外形尺寸    C 滤芯的材料   D 滤芯的结构尺寸

8.M型三位四通换向阀的中位机能是____。

A 压力油口卸荷,两个工作油口锁闭    B 压力油口卸荷,两个工作油口卸荷

C 所有油口都锁闭      D 所有油口都卸荷

9.在液压系统中,_______可作背压阀。

A 溢流阀B 减压阀C 液控顺序阀D 调速阀

10.低压系统作安全阀的溢流阀,一般选择____结构。

A 差动式B 先导式C 直动式D 锥阀式

11.节流阀的节流阀应尽量做成____式。

A 薄壁孔B 短孔C 细长孔D A+C

12.液压系统的油箱内隔板____。

A 应高出油面B 约为油面高度的1/2C约为油面高度的3/4D 可以不设

13.液压系统中冷却器一般安装在:

A 油泵出口管路上B 回油管路上

C 补油管路上D 无特殊要求

14.下列基本回路中,不属于容积调速回路的是____。

A 变量泵和定量马达调速回路B定量泵和定量马达调速回路

C 定量泵和变量马达调速回路D 变量泵和变量马达调速回路

15.如右图所示,各溢流阀的调整压力p1=5Mpa, p2=3Mpa,p3=2Mpa。当外负载趋于无穷大时,若二位二通电磁阀通电,泵的工作压力为:

A 5 MpaB 3Mpa

C 2MpaD 10 Mpa

16.液压机床中往往采用快速回路,它的主要目的是:

A 加快工作机构工进时的速度,提高系统的工作效率

B加快工作机构空载时的速度,提高系统的工作效率

C加快工作机构加工时的速度,提高系统的工作效率

D提高系统油压加快工作机构速度,提高系统的工作效率

17.在油箱中,溢流阀的回油口应____泵的吸油口。

A 远离B 靠近C 平行于D 无特殊要求

18.下列气动元件属于逻辑元件的是:

A 与门型梭阀    B 快速排气阀    C 记忆元件    D A+C

19.后冷却器—般安装在________。

A 空压机的进口管路上   B 空压机的出口管路上

C 储气罐的进口管路上    D 储气罐的出口管路上

20.如下回路是一过载保护回路,当气缸过载时,最先动作的元件是________。
     

A 1    B 2    C 3     D 4

二、判断题(每小题1分,共10分)

1.液压传动不易获得很大的力和转矩()

2.液压马达的工作压力取决于负载而与自身的强度和密封性能无关()

3.Y型密封圈适用于速度高处的密封()

4.纸芯式过滤器比烧结式过滤器的耐压高()

5.高压大流量液压系统常采用电磁换向阀实现主油路换向()

6.节流调速回路中,大量液压油由溢流阀回油箱,是能量损失大、温升高、效率低的主要原因()

7.在清洗液压元件时,应用棉布擦洗()

8.由空气压缩机产生的压缩空气,一般不能直接用于气压系统()

9.气压传动能使气缸实现准确的速度控制和很高的定位精度()

10.气液联动速度回路具有运动平稳、停止准确、能耗低等特点()

 

三、填空题(每空1分,共15分)

1.液力传动是主要利用液体_______能的传动;液压传动是主要利用液体_______能的传动。

2.液压传动系统由________、________、________、________和________五部分组成。

3.某压力容器表压力为0.3Mpa,则压力容器的绝对压力为____Mpa。(大气压力为0. 1Mpa)

4.马达是_____元件,输入的是压力油,输出的是_____和_____。

5.排气装置应设在液压缸的_____位置。

6.液压泵的理论流量_____实际流量(大于、小于、等于)。

7.调速阀可使速度稳定,是因为其节流阀前后的压力差____。

8.后冷器一般装载空压机的____。

 

四、名词解释(10)

1.粘温特性(3分):

2.公称压力(3分):

3.困油现象(4分)

 

五、计算题(20分)


1.在右图的单杆液压缸中,已知缸体内径D=125mm,活塞杆直径d=70mm,活塞向右运动的速度v=0.1m/s。求进入和流出液压缸的流量Q1和Q2为多少。(10分)

帮助:

2.试分析单杆活塞缸差动连接时元杆腔受力及活塞伸出速度(10分)

 

六、综合题(25分)

1.先导式溢流阀中的阻尼小孔起什么作用?是否可以将阻尼小孔加大或堵塞。(5分)

2.什么是液压泵的流量脉动?对工作部件有何影响? (5分)

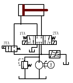
3.某机床进给回路如下图所示,它可以实现快进→工进→快退的工作循环。根据此回路的工作原理,填写电磁铁动作表。(电磁铁通电时,在空格中记“+”号;反之,断电记“-”号)(15分)

电磁铁

工作环节

1YA

2YA

3YA

快进

 

 

 

工进

 

 

 

快退

 

 

 

 

思考题:(做错不扣分)

  现由进油节流调速回路如下图所示。该回路中液压缸完成快速进给、慢速加工、快速退回工作循环,液压缸的负载大,负载变化也很大。工作中发现液压缸在慢速加工时速度变化太大,需要对原回路进行改进,如何改进该回路,才能保证液压缸在工作进给时速度不发生变化,说明原因。



                            [参考答案]

民众工作室.制作    版权所有