![]() |
| 你当前的位置:首页>>液压与气动>>液压传动基本回路.目录 |
流量控制同步回路 |
调 速 阀 同 步 回 路 |
![]() |
图中采用了四个单向阀组成的流量调整板,不管液压缸的活塞伸出还是缩回,液流始终单方向流经调速阀,图中,活塞伸出为进油节流调速,下降时为回油节流调速。调节调速阀的开度,可使两液压缸保持同步,同步精度一般可达5%~10%左右。 |
分 流 阀 同 步 回 路 |
![]() |
当换向阀A和C均为左位时,液压泵输出的液压油流经分流阀后分成两股相等的流量,又因两液压缸活塞面积相同,所以两缸的活塞保持同步上升。换向阀A和C均为右位时,则两缸活塞同步下降。同步精度一般可达2%~5%左右。 |
分 流 集 流 阀 同 步 回 路 |
![]() |
使用分流集流阀,既可以使两液压缸的进油流量相等,又可使两液压缸的回油流量相等,从而实现两液压缸往返同步。使用分流集流阀,只能保证速度同步,同步精度一般为2%~5%。图中采用两个并联的分流集流阀,是为了满足两个液压缸流量的需要。使用分流集流阀(包括分流阀或集流阀)的同步回路。因阀内压降较大,一般不宜使用在低压系统中。 |
电 液 比 例 调 速 阀 同 步 回 路 |
![]() |
每个液压缸分别与流量调整板相连,由电液比例调速阀控制液压缸的双向速度同步和位移同步。其位置同步精度通常可达0.5mm。 |
伺 服 阀 同 步 回 路 |
![]() |
用位移传感器来检测两个缸的位置误差,用伺服阀控制纠正误差所需的流量,这是一种带反馈的闭环同步控制回路,液压缸的位置误差会形成活动部件倾斜,用位移传感器检测钢带活动端位置, h值的变化,经过放大器比较后再反馈到伺服阀,实现缸的位置同步,这种带反馈的闭环同步控制回路可以得到很高的同步精度。 |
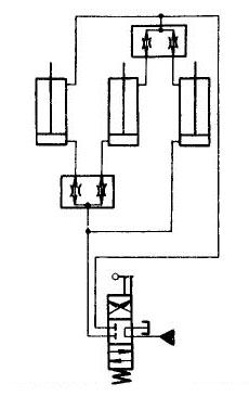
三 缸 同 步 回 路 |
![]() |
使用两个规格适宜的分流集流阀,按图示连接,可以保持三只液压缸的速度同步,它利用该阀分流和集流流量一致的特性。该回路同步精度仅为5%~10%左右,功率损耗较大。 |
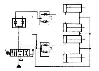
四 缸 同 步 回 路 |
![]() |
三个分流集流阀按图示连接,阀1通过的流量是阀2流量的两倍,在阀1分流基础上再经过阀2分流并分别控制四只液压缸的同步。该回路压力损失大,只适用于中高压系统,同步精度仅为6%~12%左右。 |
版权所有 民众工作室.制作 |